
RVA型气动输送旋转阀产品概述 RVC Rotary Valve SeriesProduct Instroduction:
PVA型气动输送旋转阀又称直吹式旋转阀,用于粉状物料的气力输送系统中作为加料装置,压差zui大不超过0.12MPa,工作温度≤100℃。It is applied to add powder material for pneumatic conveying system. The maxdifferent pressure is ;ess than 0.12Mpa; working temperature ≤100℃.
1.多标准圆形法兰接口及多形式结构转子
全民乐VⅡ2.优化设计的进料口和直吹通道
3.材质采用不锈钢或碳钢,坚固耐用
全民乐VⅡ4.zui小化的转子间隙将泄漏量降到zui低
全民乐VⅡ5.高填充效率,通道压力损失小
全民乐VⅡ1.It has round flange and round mouth; the body can match different type of Rotors.
2.Good design for eagle mouth inlet and direct air passage
全民乐VⅡ3.Material in carbon steel or stainless steel Keeps solid durability.
全民乐VⅡ4.Minimum gap between blade and body can lock the air efficiently.
5.High efficiency in discharging and avoiding jam, plus direct air passage keep high
efficiency in conveying system.
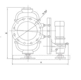
RVA型气动输送旋转阀产品示意图:
RVC Rotary Valve SeriesProduct Schematic Drawing









RVA型气动输送旋转阀的漏气量估算值
RVA-Rotaty valve air leakage value


RVA型气动输送旋转阀主要技术参数Main Technical parameters


瑞安市天蓝环保设备有限公司主营:卸料器、卸灰阀、星型卸灰阀、卸料阀、瑞安卸料器等系列产品,“天蓝环保、净化全球”,客服热线:0577-65007068
