卸灰阀天蓝环保百科
一、卸灰阀(chain wheel rotary valves)产品介绍:
YJD-HX系列卸灰阀是除尘设备排灰、送风及其他设备给料的主要设备,适用于粉状物料和颗料状物料。
二、卸灰阀工作原理:
卸灰阀分普通型、耐压型、耐高温型三大类。卸灰阀可以以匀速驱动,按照控制速率连续排出物料,或者以不定的速度驱动,将卸灰阀作为喂料机使用;
卸灰阀普通型:可以用在150度以下及常温的通常物料上,可以连续均匀向输料管内供料,而在系统和分离收尘部,它又可以作为卸料器功能;
卸灰阀耐压型:它采用封闭型转子,可以广泛用在吸送式、压送式气流输送系统和负压输送设备上,卸灰阀可以保证输送管内的气流压力不泄漏,能够安全的输送和收结物料,它不但可以耐压,同时兼备普通型功能。

三、卸灰阀特点:
1、卸灰阀通过采用行星转动原理,输入输出在同一轴线上,而且有与电机直联一体的独特性,因而结构紧凑造型美观新颖、体积小、重量轻.
2、卸灰阀运转可靠平稳、噪音低、故障少、寿命长、齿合件采用球墨铸铁与轴承钢等.使用性能好、耐磨性高.
3、轴承、齿箱、远离阀体、避免高温灰尘的影响,前后端盖密封性能好,防止灰尘外泄,延长机动件、润滑系统的使用寿命.
4、卸灰阀具有过载能力强,耐冲击惯性力矩小,适用于起动频繁和反正转.
5、用户如需特种规格,电机、链轮传动等卸料器,均可制做.
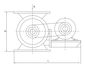
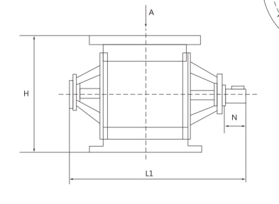
四、卸灰阀产品示意图:







五、卸灰阀(chain wheel rotary valves)主要技术参数 Main Techanical Variables
